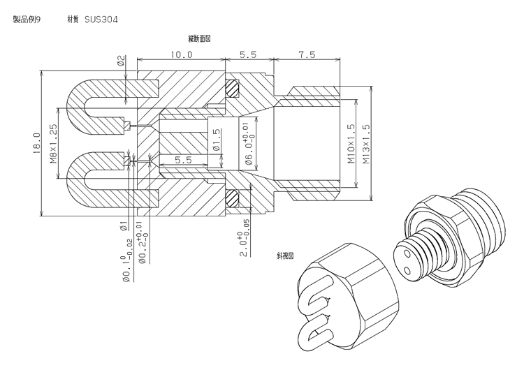
超精密複合加工のモデルです。ASSY図からの分解加工もしています。(先端の角は含まず)
業界・場所は問いません。複雑で実現が難しいご依頼内容でもまずはご相談ください。短納期、単品ロットなどにもお応えします。